안녕하세요 2018년도 1회차 전기기사 5과목 kec 기출문제풀이를 시작하겠습니다
개정후 바뀐 내용들을 적용해서 알려드리니 걱정은 안하셔도 됩니다!!'

태양전지 모듈 시설 사항들 몇개만 알고 넘어가겠습니다
1. 전선은 공칭 단면적 2.5mm제곱 이상의 연동선
2. 옥내에 시설할 땐 합성수지관공사, 금속관공사, 가요전선관공사, 케이블공사로 시설할 것
3. 모듈의 출력 배선은 극성별로 확인 가능하도록 표시할것
4. 충준 부분은 노출되지 않을것
이렇게 4가지 사항으로 항상 돌려서 나오니
태양전지 모듈 시설에서는 이정도만 잘 알고가시면됩니다!!
1번은 노출하면 안되고 3번은 2.5mm이상이고 4번은 애자사용공사는 사항에 없죠
그래서 정답은 2번입니다!!

저압 옥상 전선로의 사항들 설명드리겠습니다
1. 옥상 전선로에서는 특고압은 사용하지 못한다
2. 저압에서는 2.6mm 이상의 경동선을 사용한다
3. 지지점간 거리는 15m
이정도만 알고 가시면 옥상전선로 문제는 다 풀수 있습니다!!
정답은 2번 2.5가 아니라 2.6mm입니다
정말 애매하게 내서 확실하게 알지못한다면 틀릴수도 있을법한
문제이므로 확실하게 알고 넘어가주세요!!

이 지문은 그냥 지문과 답을 외워주시는게 더 편합니다 ㅠㅠ
또한 저압 옥내배선에서 대부분의 사용전압은 400V인것도 알아주시면
좋습니다!!또한 옥내배선시 신호등에서는 300v인것도 함께 알아주세요!!
정답은 4번 400v입니다

과전류 차단기는 포장퓨즈와 비포장퓨즈로 나뉠 수 있습니다
포장퓨즈 - 1.3배에 견딤(2배의 전류로 120분 안에 용단되어야함)
비포장퓨즈 - 1.25배에 견딤(2배의 전류로 2분 안에 용단되어야함)
이렇게 외워주시면 됩니다!!저는 포장퓨즈로도 나오고 비포장퓨즈로도 많이 나오므로
둘다 잘 외우고 넘어가주세요!!

터널안 전선로의 시설방법
저압 높이: 2.5m
저압 굵기: 2.6mm
고압 높이: 3m
고압 굵기: 4mm
이정도만 알고 가셔도 터널안 전선로 문제는 풀수 있어요!!
정답은 1번입니다!!

옥측전선로 꼭 알고가셔야하는 사항에 대해 말씀드리겠습니다
1. 특고압시설시 100kV이내
2. 고압시설시 케이블(2m), 캡타이어케이블(1m)
3. 저압
1) 합성수지관공사
2) 애자공사
3) 금속관공사
4) 버스덕트공사
5) 케이블공사
밑에 3) 4) 5)번은 목조에서 시설이 불가능합니다
어떤 유튜버 분이 김씨로 시작하는 사람이 캐리를 해서 게임을 이겼다
이런식으로 김(금속관공사) 케(케이블공사)리덕(버스덕트공사)
이렇게 김케리덕 이런식으로 외우라고 하더라고요!!이상한것 같아도 정말
잘외워지는 방법인 것 같으니 한번 써먹어보는것도 괜찮은거 같아요!!
아무튼 김케리덕은 목조에서 시설 불가능한 공사이므로
답은 3번 합성수지관공사입니다

특고압을 직접 저압으로 변성하는 변압기 사항들
1. 전기로 등 전류가 큰 전기를 소비하기 위한 변압기
2. 발전소,변전소, 개폐소 또는 이에 준하는 곳의 소내용 변압기
3. 교류식 전기철도용 신호회로에 전기를 공급하기 위한 변압기
이 문제도 항상 똑같은 방식으로 밖에 못내서 이렇게 밖에 나올 수 없지만
머리 속에 잘 안들어가는 내용이니 문제를 많이 풀어보시면서
천천히 외워주시면 금방 외울 수 있을 거예요!!
정답은 1번!!

케이블 트레이공사 꼭 알아야할 사항들
1. 안전율 1.5
2. 난연성 재료의 것
3. 매끈해야한다
케이블 트레공사에서는 이 3가지를 꼭알고 계시면 됩니다
정답은 1번 안전율이 1.3이 아니라 1.5가 되겠죠!!

이 문제는 전로의 정의에 대해서 물어보는 문제입니다
이런 정의 문제는 kec를 강의를 잘 들었다면 주는 문제라고 할수 있습니다
전로는 쉽게 전기가 다니는 길이고
사용 상태에서 전기가 통하고 있는곳 3번이 정답입니다!!

절연내력시험은 이표를 꼭외워주셔야합니다

맨 위에게 비접지방식
두번째 줄이 다중접지방식
세번째 줄이 직접접지방식입니다
문제에서는 중성점 접지식이고 23k이므로 0.92배를 해줘야하겠죠!
정답은 21160 1번입니다!!

가공전선의 안전율
구리(경동선) : 2.2
그 밖의 전선들: 2.5
이렇게만 외워주세요!!
문제에선 경동선이라고 했으니 정답은 2번입니다!!

이 문제는 kec개정으로 인해 더 이상 출제되지 않는 항목입니다. 넘어가주세요!!


각 표준경간, 저고압보안공사, 1종 특고보안공사, 2종3종보안공사, 시가지의 경간들 정리한 표입니다
어떻게 나올지 모르니 이 표 꼭외워주시고 철탑에서 시가지때 400이지만 전선상호간격이 4m이내일 때에는
250이 된다는 점도 같이 꼭 알아주세요!!
고압에서 A종 철주 이므로 정답은 100입니다!!답은 1번

kec개정으로 인해 더 이상 출제되지 않는 문제입니다 넘어가주세요!!

철탑이나 이런거를 고칠 떄에 올라가고 애기들이 술래잡기하는데 올라가면 안되겠죠!!
그래서 정답은 저의 꿈의 키인 180cm(1.8m) 입니다
정답은 3번!!

저압 옥내전로는 분기점에서 전선의 길이가 3m이하인 곳에
개폐기 및 과전류차단기를 시설해야합니다!!
그냥 답만 암기하고 넘어가시면되요!!
정답은 2번입니다!!


유도전류 문제는 이 표만 외워주시면 됩니다 뭐가 빈칸으로 나올지 모르니 꼭 다 잘 기억해주세요!!
예를들어 60kV이하 2uA이면 길이가 몇마다라고 물어볼 수도 있어요!!
문제에서는 60kV이하이고 길이가 12km라고 했으니 정답은 2uA 2번입니다

수압, 유압: 1.5배 10분
기압 : 1.25배 10분
이렇게 암기해주세요!!
그리고 몇분간은 대부분 10분입니다!!
정답은 2번!!

금속덕트 공사에서 꼭 필요한 사항들
1. 금속덕트에 넣은 전선의 단면적의 합계는 덕트 내부의 단면적의 20%이하여야한다
(제어회로 출퇴표시장치 전광표시장치 있을 땐 50%)
여기서 "제출전"에 확인해야한다 이런식으로 제어회로 출퇴표시장치 전광표시장치를 암기하였지만
kec개정으로 인해 출퇴표시장치는 사항에서 없어졌습니다 제출전은 그대로 외우시되
출퇴표시장치는 없어졌다 라는 것을 생각하시고 넘어가주세요!!
2. 지지점간 거리는 3m(수직이라는 말이있을 때 6m)
3. 폭 40mm 두께 1.2mm
어려우시더라도 이렇게만 꼭 알고 넘어가주세요 ㅠㅠ
정답은 2번 1.0이 아니라 1.2겠죠!!

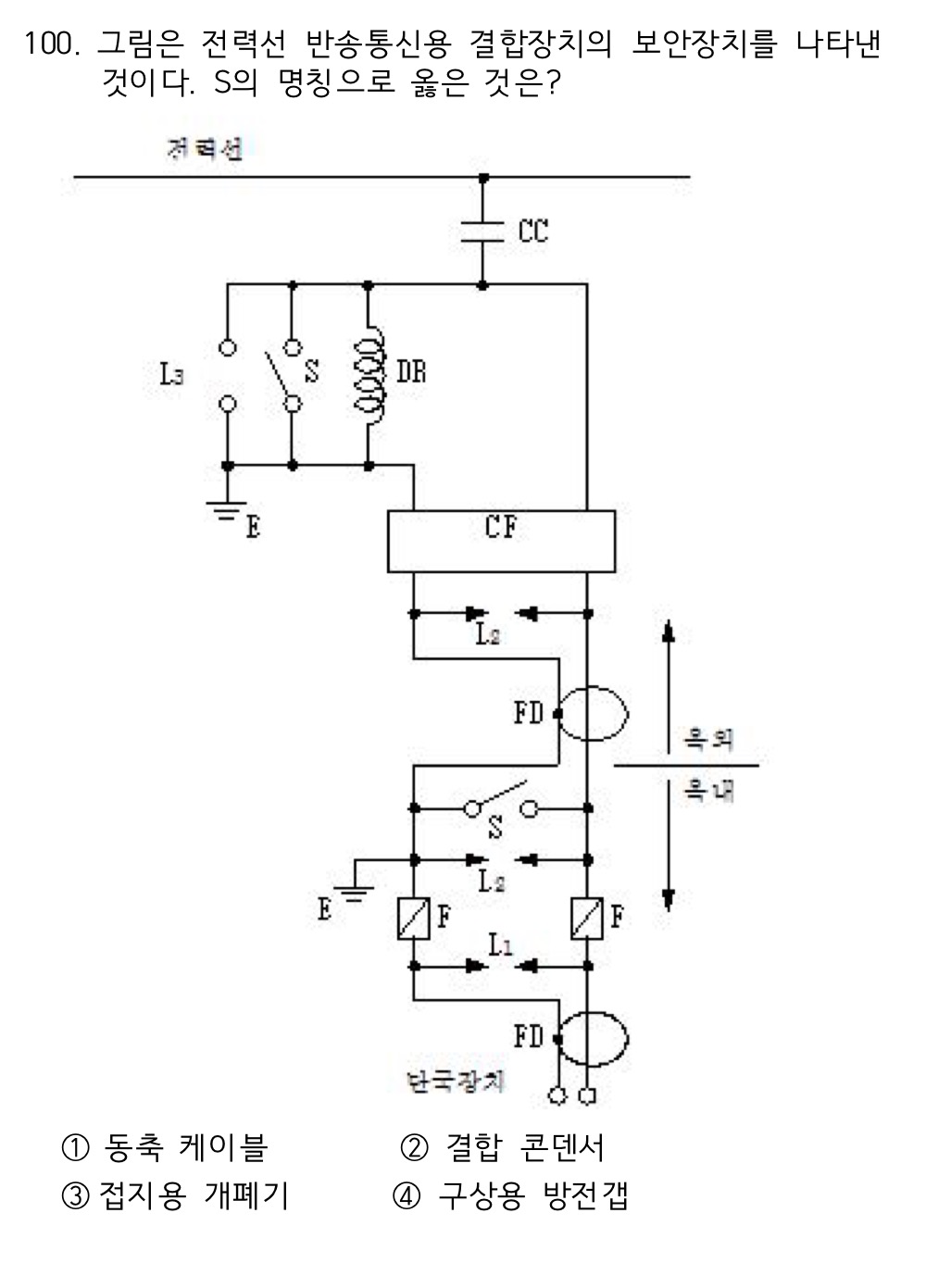
이 문제에서 알고 계셔야하는것 몇가지만 알고 넘어가겠습니다
맨위에 있는 cc: 결합콘덴서(커패시터 표시에 결합시켜주는 것 같이 생겼어요!!)
문제에있는 s: 접지용 개폐기(뭔가 열고 닫고 하는것 처럼 생겼죠??)
맨밑에 있는 FD: 동축케이블
그위에 네모박스 F : 정격전류 10A이하의 포장퓨즈
정도만 알고 넘어가주세요!!
문제에서는 S의 명칭을 물어봤으니 정답은 접지용 개폐기 입니다!!
답은 3번!!
오늘도 기출문제 푸시느라 고생 많으셨습니다
찾아서 들어오시는 만큼 열심히 공부하고 있다는 증거죠!!
꼭 전기기사 합격하실수 있으실껍니다
화이팅!!!고생하셨습니다
'KEC(개정후내용) > 전기기사 전기설비 및 판단기준' 카테고리의 다른 글
| 전기기사 2018년도 3회차 KEC 기출문제풀이(개정후) (4) | 2021.05.04 |
|---|---|
| 전기기사 2018년도 2회차 KEC 기출문제풀이(개정후) (0) | 2021.05.03 |
| 전기기사 2017년도 3회차 KEC 기출문제풀이(개정후) (0) | 2021.05.01 |
| 전기기사 2017년도 2회차 KEC 기출문제풀이(개정후) (0) | 2021.05.01 |
| 전기기사 2017년도 1회차 KEC 기출문제풀이(개정후) (2) | 2021.04.30 |